Złącze do łączenia przewodu - MC - 2x0.52mm2 - przewód do przewodu

Dostępność: dostępny w magazynie
Produkt wysyłamy: do 48 godzin
Dostawa: Cena nie zawiera ewentualnych kosztów płatności sprawdź formy dostawy
Cena brutto: 3,11 zł
zawiera 23.00% VAT, bez kosztów dostawy

Cena regularna:

3.11
Cena netto: 2,53 zł
bez 23.00% VAT i kosztów dostawy

Cena regularna:

ilość szt.

towar niedostępny

dodaj do przechowalni
Ocena: 0
Producent: ELED
Kod produktu: ED00033920

Opis

Złączka do przewodów umożliwia podłączenie/przedłużenie przewodów zasilających. Dzięki zastosowaniu tego typu złączki możemy w prosty i wygodny sposób przedłużyć instalację elektryczną.

Przeznaczona jest do przewodów dwużyłowych o maksymalnym przekroju 2x0.52mm2.

Główne cechy złączki:
  1. Stabilne i trwałe połączenie poprzez zacisk
  2. Niewielkie wymiary umożliwiają montaż w trudno dostępnych miejscach
  3. Duża obciążalność prądowa (do 5A)
  4. Doskonałe do stosowania w profilach aluminiowych

 

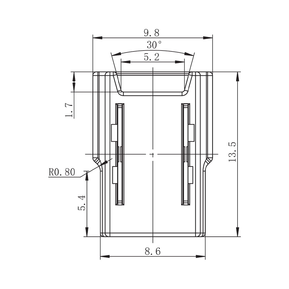
W przypadku chęci stosowania złączki w profilu aluminiowym LED należy uwzględnić jej wymiary zewnętrzne.

 

Instrukcja montażu złączki

 

  1. 1. Przygotuj przewód.
  2. 2. Przetnij przewód w wybranym miejscu.
  3. 4. Wsuń przewody do złącza z obu stron.
  4. 6. Użyj szczypiec, aby zacisnąć ostrze (zacisk). Zaciskaj pojedynczo. Uwaga! Czynność ta jest nieodwracalna.
  5. 7. Gotowe połączenie.
  6. 8. Uwaga! Po zaciśnięciu ostrze może wystawać max. 0.15 mm nad plastikową obudową złączki.
 
Pliki do pobrania:

Parametry techniczne

Ilość pinów 2
Napięcie pracy 5V-48V DC
Prąd maksymalny 5A
Możliwy do zastosowania przekrój przewodu 22AWG / 0.52mm²
Droga kontaktu z przewodem kontakt z przebiciem izolacji
Kolor transparentny
Stopień ochrony IP20
Temperatura pracy -20 do +80 st. C
Długość (bez przewodu) 13.5mm
Szerokość 9.8mm
Wysokość 4.2mm
Kod producenta ED00033920
Kod EAN 5904063166824

Koszty dostawy Cena nie zawiera ewentualnych kosztów płatności

Kraj wysyłki:

Produkty powiązane

Dodaj opinię (0)

Zaloguj się
Nie pamiętasz hasła? Zarejestruj się

Infolinia:

Telefon: (32) 445 09 84

Email: sklep@eled.pl

Waluty
Producenci
więcej więcej
do góry
Sklep jest w trybie podglądu
Pokaż pełną wersję strony
Sklep internetowy Shoper Premium